четверг, 14 февраля 2013 г.

канатные барабаны методы расчета

Обучение и инструктаж

Реконструкции, перестройки, модернизации

Периодические инспекционные проверки и работы по техническому обслуживанию

Изготовление быстроизнашивающихся и запасных частей

Ходовые механизмы

Редукторы роторного колеса

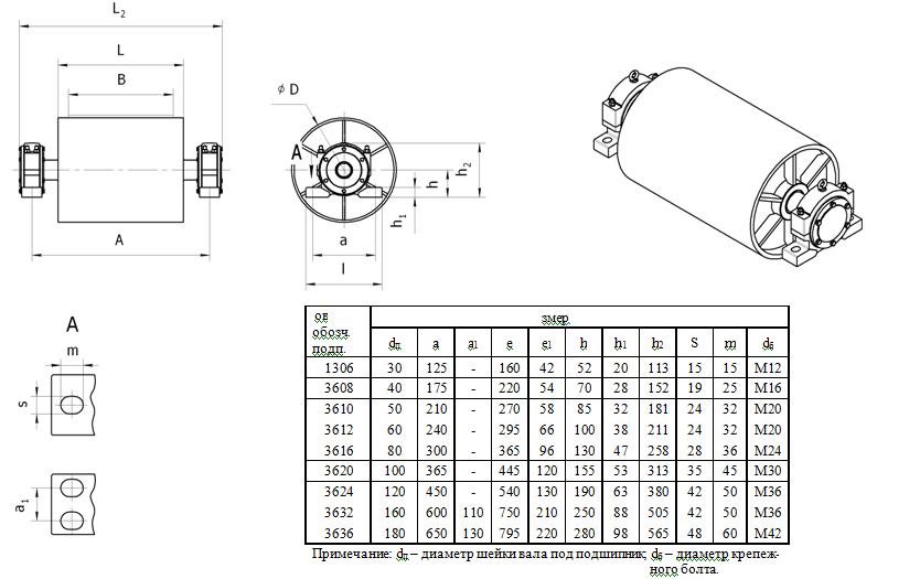
Ленточные и канатные барабаны

Шаровые опорно-поворотные соединения, венцы зубчатых колёс

Поставка компонентов

Комментариев нет:

Отправить комментарий